Informacije o proizvodu
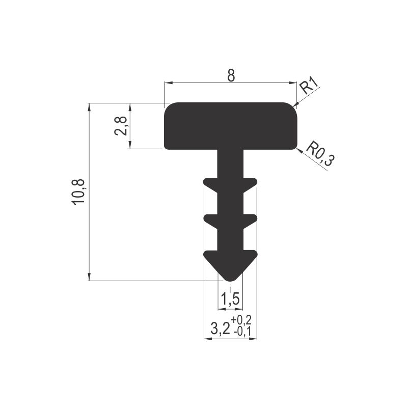
Aluminijumski dekorativni vezni profil VP T 8mm
Ukopavajući vezni profil koristi se u dekorativne svrhe prilikom izrade nameštaja od pločastih materijala.
Širina kanala za falcovanje (ukopavanje) ispune je 3mm.
Završna obrada VP T 8 profila je proces hemijske eloksaže.
Prodajna dužina profila je 3m.
Debljina eloksiranog sloja: 0,15mm.
Boja eloksaže: Srebro sjaj.







































































